TinyFPGA Bx Pinout, Schematic and Datasheets


This post lists the TinyFPGA pinout, each part of the schematic and links to each part’s data sheet.
Board / Schematic Overlay

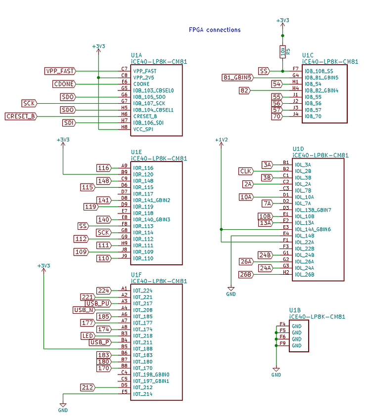
Schematic and Datasheets
TinyFPGA Bx Schematic at [link]



Lattice iCE40-LP8K-CM81 [datasheet]

Microchip Ldo, Fixed, 3.3V, 0.3A, Sot-23-5 - MIC5504-3.3YM5-TR [datasheet]
Microship (Micrel) High-Performance Single 150mA LDO MIC5365-1.2YC5-TR [datasheet]

Adesto Technologies [link] 8-Mbit, 2.3V Minimum SPI Serial Flash Memory with Dual-I/O and Quad-IO Support AT25SF081 [datasheet]

Lattice iCE40-LP8K-CM81 [datasheet]


Microchip Ultra-Small, Ultra-Low Power MEMS Oscillator DSC60XX [datasheet]

Lattice iCE40-LP8K-CM81 [datasheet]

More Info

