Trenz Electronic TE0950-02-EGBE21A At-A-Glance

trenz_electronic_logo_1

Get a quick look at the Trenz Electronic TE0950-02-EGBE21A with our ‘At-A-Glance’ guide.

Included:

  • The specific Versal part

  • A board system diagram

  • A link to the schematic

  • How to find the board rev ID

  • Where the power jack is, the type of power jack, power requirements, and where to order a power supply

  • A board rendering (3D)

  • The assembly diagram

  • Board dimensions

  • Links to the original docs

TE0950-02-EGBE21A Versal: VE2302 Versal AI Edge Series

Trenz Electronic TE0950-02-EGBE21A Parts and Links to Docs : Sheet2

Versal AI Edge Series VE2302
AI Engines-ML 34
AI Engines 0
AIE/AIE-ML Data Memory (Mb) 17
AIE-ML Shared Memory (Mb) 68
DSP Engines 464
System Logic Cells 328,720
CLB Flip-Flops 300,544
LUTs 150,272
Distributed RAM (Mb) 4.6
Block RAM Blocks 155
Block RAM (Mb) 5.4
UltraRAM Blocks 155
UltraRAM (Mb) 43.6
Accelerator RAM (Mb) 32
APU Dual-core Arm Cortex-A72, 48KB/32KB L1 Cache w/ parity & ECC; 1MB L2 Cache w/ ECC
RPU Dual-core Arm Cortex-R5F, 32KB/32KB L1 Cache, and 256KB TCM w/ECC
Memory 256KB On-Chip Memory w/ECC
Connectivity Ethernet (x2); UART (x2); CAN-FD (x2); USB 2.0 (x1); SPI (x2); I2C (x2)
NoC to PL Master/ Slave Ports 5
DDR Bus Width 64
DDR Memory Controllers (DDRMC) 1
PCIe w/DMA & CCIX (CPM4)
PCIe w/DMA & CCIX (CPM5)
PCIe (PLPCIE4) 1 x Gen4x8
PCIe (PLPCIE5)
40G Multirate Ethernet MAC 1
XPIO 216
HDIO 22
GTY Transceivers(1) 0
GTYP Transceivers(1) 8
Video Decoder Engines (VDEs)

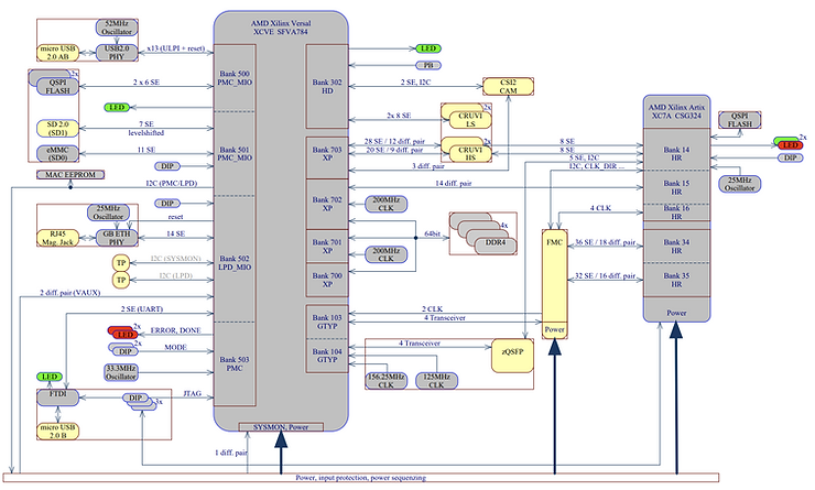
TE0950-02-EGBE21A System Diagram

a_system_diagram_2

From:

https://shop.trenz-electronic.de/trenzdownloads/Trenz_Electronic/Development_Boards/TE0950/REV02/Documents/SCH-TE0950-02-EGBE21A.PDF [ cached ]

Schematic

https://shop.trenz-electronic.de/trenzdownloads/Trenz_Electronic/Development_Boards/TE0950/REV02/Documents/SCH-TE0950-02-EGBE21A.PDF

Parts

Trenz Electronic TE0950-02-EGBE21A Parts and Links to Docs : Sheet1

Specific Part # Base Product Number Detailed Description Datasheet Cached Datasheet
MPM3834CGPA MPM3833C 2.75 - 6V, 3A, Ultra-Small and Ultra-Low Noise Power Module https://mm.digikey.com/Volume0/opasdata/d220001/medias/docus/713/MPM3833C_r1.0.pdf https://drive.google.com/file/d/1OwpfwkACc_ZcFIzWeV2cQsU4tQg-Uow3/view?usp=sharing
NCV8164AMLADJTCG NCV8164 LDO Regulator, 300mA, Low Dropout Voltage, Ultra Low Noise, High PSRR with Power Good https://shop.trenz-electronic.de/trenzdownloads/Trenz_Electronic/Development_Boards/TE0950/REV02/Documents/SCH-TE0950-02-EGBE21A.PDF https://drive.google.com/file/d/1OxbOrw_ZfLL7PCHnmy4iLJI2FW47MXHq/view?usp=sharing
MPM3840GQV-Z MPM3840 2.8V-5.5V, 4A, Power Module, Synchronous Step-Down Converter with Integrated Inductor https://www.mouser.com/datasheet/2/277/MPM3840GQV-2946484.pdf https://drive.google.com/file/d/1P-4MyvS1m6F0I9V6a6HtVwASekj94AHZ/view?usp=sharing
MP5077GG-Z MP5077 5.5V, 7A, Low RDSON Load Switch With Programmable Current Limit https://www.monolithicpower.com/en/documentview/productdocument/index/version/2/document_type/Datasheet/lang/en/sku/MP5077/document_id/1809/ https://drive.google.com/file/d/1P0biB4rbt2kCQIk2CioopfiykrgFy1SP/view?usp=sharing
TPS51206DSQ TPS51206 TPS51206 2-A Peak Sink / Source DDR Termination Regulator With VTTREF Buffered Reference for DDR2, DDR3, DDR3L, and DDR4 https://www.ti.com/lit/ds/symlink/tps51206.pdf?HQS=dis-dk-null-digikeymode-dsf-pf-null-wwe&ts=1692831377620&ref_url=https%253A%252F%252Fwww.ti.com%252Fgeneral%252Fdocs%252F https://drive.google.com/file/d/1P1M5VbErHNl-sWbk08i3p0A1ViK3RGCP/view?usp=sharing
MPM3683GMN-20 MPM3683-20 2.7V to 16V, 15A, Step-Down Power Module https://www.monolithicpower.com/en/documentview/productdocument/index/version/2/document_type/Datasheet/lang/en/sku/MPM3683GMN-20/document_id/11278/ https://drive.google.com/file/d/1P5NcdYDFyK5DvzdC59OXnSPLM0HRgxJU/view?usp=sharing
MPM3834CGPA MPM3834C 2.75V to 6V, 3A, Ultra-Small Power Module with Ultra-Low Noise https://www.monolithicpower.com/en/documentview/productdocument/index/version/2/document_type/Datasheet/lang/en/sku/MPM3834CGPA/document_id/9651/ https://drive.google.com/file/d/1P6croQ8pZE3cQ_KL0v52uhIGhInzbrO7/view?usp=sharing
24AA025E48T-I/OT 24AA025E48 2K I2C Serial EEPROMs with EUI-48™ or EUI-64™ Node Identity https://ww1.microchip.com/downloads/en/DeviceDoc/24AA02E48-24AA025E48-24AA02E64-24AA025E64-Data-Sheet-20002124H.pdf https://drive.google.com/file/d/1PU2u5c7n9XWGVbSs4vjsJXCYVYat77tV/view?usp=sharing
74LVC2G07FZ4-7 74LVC2G07 Buffer, Non-Inverting 2 Element 1 Bit per Element Open Drain Output X2-DFN1410-6 https://www.diodes.com/assets/Datasheets/74LVC2G07.pdf https://drive.google.com/file/d/1Q_4_BGdBmtj8mKNChUHov4KKWxiWalrK/view?usp=sharing
88E1512-A0-NNP2I000 88E1512 Integrated 10/100/1000 Mbps Energy Efficient Ethernet Transceiver https://www.marvell.com/content/dam/marvell/en/public-collateral/phys-transceivers/marvell-ethernet-phys-alaska-88e151x-datasheet.pdf https://drive.google.com/file/d/1Pe_owvPSdvXi4UN1YWZle9XGQVzPSw7B/view?usp=sharing
93AA56BT-I/OT 93AA56B 2K Microwire Compatible Serial EEPROM https://ww1.microchip.com/downloads/en/DeviceDoc/21794G.pdf https://drive.google.com/file/d/1PT0spskf8k9oH6gyNxaxO33H0MoKL_GV/view?usp=sharing
DSC1123CI2-125.0000T 125M DSC1123 MEMS OSC XO 125.0000MHZ LVDS SMD https://ww1.microchip.com/downloads/aemDocuments/documents/TCG/ProductDocuments/DataSheets/DSC1103-23-Low-Jitter-Precision-LVDS-Oscillator-DS20005745C.pdf https://drive.google.com/file/d/1QQoz4J4OxtyV1nf8umL40xsgQzj6l8c0/view?usp=sharing
FT2232H-56Q FT2232H-56Q FT2232H Dual High Speed USB to Multipurpose UART/FIFO IC Datasheet Version 2.6 https://ftdichip.com/wp-content/uploads/2020/07/DS_FT2232H.pdf https://drive.google.com/file/d/1PS7hE09avovllthLeSv69L7IklaeUyVX/view?usp=sharing
LTC4365ITS8#TRMPBF LTC4365 Overvoltage, Undervoltage and Reverse Supply Protection Controller https://www.analog.com/media/en/technical-documentation/data-sheets/LTC4365.pdf https://drive.google.com/file/d/1PM0_OenEV67SWjpLxFIddMQbogGQFOyS/view?usp=sharing
MAX13035EETE+ MAX13035 Voltage Level Translator Bidirectional 1 Circuit 6 Channel 100Mbps 16-TQFN (4x4) https://www.analog.com/media/en/technical-documentation/data-sheets/max13030e-max13035e.pdf https://drive.google.com/file/d/1QFYMKa8AAgEp2L13HPhYNTvR_VPS3AK3/view?usp=sharing
MIC2544-1YMM MIC2544-1YMM Programmable Current-Limit High-Side Switch https://ww1.microchip.com/downloads/aemDocuments/documents/OTH/ProductDocuments/DataSheets/20005725B.pdf https://drive.google.com/file/d/1Q0NnhaKhpZuZ25K9uT-_qfa9CLqgfqCH/view?usp=sharing
MP8869SGL-Z MP8869S 18V, 12A, High-Efficiency, Wide-Input, Synchronous, Step-Down Converter with Integrated Telemetry via I2C Interface https://www.monolithicpower.com/en/documentview/productdocument/index/version/2/document_type/Datasheet/lang/en/sku/MP8869S/document_id/3905/ https://drive.google.com/file/d/1PGClQNkiL14eWSKUkRJeUO1THQ9VI_zv/view?usp=sharing
MPM3650CGQW-Z MPM3650C 2.75 to 17V, 6A, 1.2MHz, Ultra-Thin, Synchronous, Step-Down Power Module with Forced Continuous Conduction Mode https://www.monolithicpower.com/en/documentview/productdocument/index/version/2/document_type/datasheet/lang/en/sku/MPM3650CGQW-Z/document_id/9145 https://drive.google.com/file/d/1PDygDgjxLX0rVhg-CiF5_1rySvGqY5xZ/view?usp=sharing
MT25QU512ABB8E12-0SIT MT25QU512 FLASH - NOR Memory IC 512Mbit SPI 133 MHz 24-T-PBGA (6x8) https://media-www.micron.com/-/media/client/global/documents/products/data-sheet/nor-flash/serial-nor/mt25q/die-rev-b/mt25q_qlkt_u_512_abb_0.pdf https://drive.google.com/file/d/1QIhO9mEo-cOm9Ku6oJNLJUQWHxqArOUt/view?usp=sharing
MT40A1G16TB-062E IT:F MT40A1G16 IC DRAM 16GBIT PARALLEL 96FBGA https://media-www.micron.com/-/media/client/global/documents/products/data-sheet/dram/ddr4/16gb_ddr4_sdram.pdf https://drive.google.com/file/d/1QJAjmtD1hPDqgKPzUx_xLPYgABPxhcvA/view?usp=sharing
PCA9617ADPJ PCA9617A Level translating Fm+ I2C-bus repeater https://www.nxp.com/docs/en/data-sheet/PCA9617A.pdf https://drive.google.com/file/d/1PYAB-eojOlYKgTiyCIrBpuMPbJJLnsu4/view?usp=sharing
S25FL256SAGBHI20 S25FL256S 128 Mb (16 MB)/256 Mb (32 MB) FL-S Flash SPI Multi-I/O, 3.0V [https://www.infineon.com/dgdl/Infineon-S25FL128S_S25FL256S_128Mb(16MB)_256_Mb(32MB)_3.0V_SPI_Flash_Memory-DataSheet-v18_00-EN.pdf?fileId=8ac78c8c7d0d8da4017d0ecfb6a64a17](https://www.google.com/url?q=https://www.infineon.com/dgdl/Infineon-S25FL128S_S25FL256S_128_Mb(16MB)_256_Mb(32_MB)_3.0V_SPI_Flash_Memory-DataSheet-v18_00-EN.pdf?fileId%3D8ac78c8c7d0d8da4017d0ecfb6a64a17&sa=D&source=editors&ust=1741224400658759&usg=AOvVaw3VHYF4sSLzVYESxWU7nmOs) https://drive.google.com/file/d/1PONdXH_H19Ra4zpDkm9ntzr8pFm5JfyY/view?usp=sharing
SDINBDG4-32G-XI2 SDINBDG4-32G Western Digital® iNAND® IX EM122a Industrial Embedded Flash Devices https://www.mouser.com/datasheet/2/669/wdig_s_a0011786314_1-2290667.pdf https://drive.google.com/file/d/1Q3cEaUFEMjJ6nToJAlz8qdv1_z-PL822/view?usp=sharing
SiT8008BI-73-18S-25.000000E 25M SiT8008B Low Power Programmable Oscillator https://www.sitime.com/datasheet/SiT8008 https://drive.google.com/file/d/1POTMtOTkFujFBD3KBsUKZG_QJKXMLYgn/view?usp=sharing
SiT8008BI-73-XXS-25.000000E SiT8008B Low Power Programmable Oscillator https://www.sitime.com/datasheet/SiT8008 https://drive.google.com/file/d/1POTMtOTkFujFBD3KBsUKZG_QJKXMLYgn/view?usp=sharing
SiT8008BI-73-XXS-33.333333E 33M SiT8008B 33.333333 MHz XO (Standard) HCMOS, LVCMOS Oscillator 2.5V ~ 3.3V Standby (Power Down) 4-SMD, No Lead https://www.sitime.com/datasheet/SiT8008 https://drive.google.com/file/d/1POTMtOTkFujFBD3KBsUKZG_QJKXMLYgn/view?usp=sharing
SiT8008BI-73-XXS-52.000000E52M SiT8008B Low Power Programmable Oscillator https://www.sitime.com/datasheet/SiT8008 https://drive.google.com/file/d/1POTMtOTkFujFBD3KBsUKZG_QJKXMLYgn/view?usp=sharing
SIT9120AI-2C2-33E200.000000 200M SiT9120 200 MHz XO (Standard) LVDS Oscillator 3.3V Enable/Disable 6-SMD, No Lead https://www.sitime.com/datasheet/SiT9120 https://drive.google.com/file/d/1QX-kn928tQceIuhOt1GZQes1gwzPpKby/view?usp=sharing
SIT9365AC-2B2-33E156.250000G 156.25M SiT9365, Elite Platform™ 156.25 MHz XO (Standard) LVDS Oscillator 3.3V Enable/Disable 6-SMD, No Lead https://www.sitime.com/datasheet/SiT9365 https://drive.google.com/file/d/1QTXcPo7RnA3TCEIUJb5pPaKYJRGOyoC_/view?usp=sharing
SN74LVC1G06DRL SN74LVC1G06 Single Inverter Buffer/Driver With Open-Drain Output https://www.ti.com/lit/ds/symlink/sn74lvc1g06.pdf?ts=1693114347837 https://drive.google.com/file/d/1Qb6GKu_HsBbb01j1Fv5vSw4BfAjWR4Wc/view?usp=sharing
TPS389033DSER TPS3890 Low Quiescent Current, 1% Accurate Supervisor with Programmable Delay https://www.ti.com/general/docs/suppproductinfo.tsp?distId=26&gotoUrl=https://www.ti.com/lit/gpn/tps3890 https://drive.google.com/file/d/1PI1qRPlNfg5-apym4AdKSkmx5WpyFnIP/view?usp=sharing
USB3320C-EZK USB3320 Highly Integrated Full Featured Hi-Speed USB 2.0 ULPI Transceiver https://ww1.microchip.com/downloads/en/DeviceDoc/00001792E.pdf https://drive.google.com/file/d/1Q1qJ7DPi0BavsMNfsEToo-qU6P68Jh0v/view?usp=sharing
XC7A35T-2CSG324C XC7A35T Artix-7 https://docs.xilinx.com/v/u/en-US/ds180_7Series_Overview https://drive.google.com/file/d/1PMoo3oitlSAxEdgS2AdG0olt1O4mlocj/view?usp=sharing
XCVE2302-1LSESFVA784-ES9780 VE2302 Versal AI Edge Series https://docs.xilinx.com/v/u/en-US/ds950-versal-overview https://drive.google.com/file/d/1QOxxi4PRzfkBOg89iZzNBDryMu-f9bbJ/view?usp=sharing
zQSFP+ 1x1 Connector        

Where is the Rev # on the TE0950-02-EGBE21A?

rev_number_3

Rev 2 in this case.

Power (J16)

power_j16_4

Some Power Specs

DC Output Connector: 2.1∅ x 5.5∅ x 11 mm Barrel Plug

Output Power: 30 W

Output Voltage-Channel 1: 12 V

Output Current-Channel 1: 2.5 A

Manufacturer: Mean Well

Manufacturer’s article number: GE30I12-P1J [ order ] [ spec ] [ cached spec ]

And Plug US [ order ]

https://shop.trenz-electronic.de/en/28169-Interchangeable-Plug-with-four-adapters-and-cable-12V/2.5A

Ordering

Example Cart

Mouser #:709-ACPLUG-US

Mfr. #:AC PLUG-US

Mfr.:MEAN WELL

Mouser #:709-GE30I12-P1J

Mfr. #:GE30I12-P1J

Mfr.:MEAN WELL

TE0950-02-EGBE21A 3D

TE0950-02-EGBE21A 3D Top

top_view_5

From:

https://shop.trenz-electronic.de/trenzdownloads/Trenz_Electronic/Development_Boards/TE0950/REV02/Documents/3DT-TE0950-02-No%20Variations.PDF [ cached ]

TE0950-02-EGBE21A 3D Bottom

bottom_view_6

From:

https://shop.trenz-electronic.de/trenzdownloads/Trenz_Electronic/Development_Boards/TE0950/REV02/Documents/3DT-TE0950-02-No%20Variations.PDF [ cached ]

TE0950-02-EGBE21A Assembly

TE0950-02-EGBE21A Assembly Top

assembly_top_7

TE0950-02-EGBE21A Assembly Bottom

assembly_bottom_8

From:

https://shop.trenz-electronic.de/trenzdownloads/Trenz_Electronic/Development_Boards/TE0950/REV02/Documents/AD-TE0950-02-EGBE21A.PDF [ cached ]

TE0950-02-EGBE21A Dimensions

TE0950-02-EGBE21A Dimensions Top

dimensions_top_9

TE0950-02-EGBE21A Dimensions Bottom

dimensions_bottom_10

From:

https://shop.trenz-electronic.de/trenzdownloads/Trenz_Electronic/Development_Boards/TE0950/REV02/Documents/DIM-TE0950-02-No%20Variations.PDF [ cached ]

Trenz Electronic TE0950-02-EGBE21A At-A-Glance